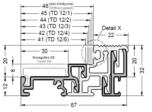
Weser-A 67/32 threshold for exterior and balcony doors
Product code
WESER-A-67-32
WESER-A 67/32 TI threshold for exterior doors and balcony doors
Manufacturer - GUTMANN (Germany)- efficient, economical and practical solution for high-quality exterior and balcony doors
- special threshold construction with isothermal run considerably improves building thermal efficiency
- minimum formation of condensation indoors
Advantages
- suitable for both renovated and new buildings
- wide range of functional use options
- conforms with building requirements according to DIN 18025 barrier-free systems
- thermal profile does not contain PVC and considerably improves building thermal efficiency
- optional thermal insulation floor connector with insulation profile P47-50 K
- rebate width: 41-46 mm
- aluminium cap, finish: anodised EV1 or black plastic
- suitable also for doors opening outwards
Threshold set
1. Threshold profile

2. Sealing
![]() |
![]() |
![]() |
![]() |
![]() |
![]() |
| TD 12/1 EPDM, black |
TD 12/2 EPDM, black |
TD 12/3 EPDM, black |
TD 12/4 EPDM, black |
TD 12/5 EPDM, black |
HA 3060/5 EPDM, black |
3. Gasket
![]() |
| TD 20/46 (102; 90; 67) EPDM, black |
4. Threshold cap
![]() |
![]() |
| D8, aluminium EV1 |
D8-ABS, black plastic |
5. Additional components
![]() |
![]() |
![]() |
![]() |
| Waterproofing tape 250 mm |
Insulation profile P 47-50 K PVC Regenerat |
Auxiliary profile DL 50 aluminium EV1 |
Pivoting anchor EA-20 galvanised steel |
![]() |
![]() |
![]() |
![]() ![]() |
| Threshold support SH 50 suitable for threshold models: Weser 86/32 TI; Weser 74/32 TI; Weser-A 51/32 TI; Weser 96/32 TI; Weser 84/32 TI; Weser-A 61/32 TI bright aluminium |
Threshold support SH 60 suitable for threshold models: Weser 102/32 TI; Weser 90/32 TI; Weser-A 67/32 TI; Weser 108/32 TI; Weser 95/32 TI; Weser-A 73/32 TI; Weser 114/32 TI bright aluminium |
P 631 drip bar aluminium EV1 |
cap for drip bar 631 right + left, black |
All prices include VAT
- Products
- Price
- In Stock
- Quantity
-
Weser-A 67/32-TI Threshold, EV1Code: SB00016516Art. Nr.: EAN858423Price:From €39.48In Stock: 82.03 m -
Cap D8 for Weser threshold, EV1Code: SB00016533Art. Nr.: EAN900603Price:From €7.11In Stock: 120.04 m -
Cap D8-ABS for Weser threshold, ABS blackCode: SB00016227Art. Nr.: EAN812913Price:From €3.30In Stock: 97.7 m
Additional products
- Products
- Price
- In Stock
- Quantity
-
TD 20/46 Threshold sealing (102;90;67)Code: SB00016294Art. Nr.: EAN325215Price:From €37.66In Stock: 24.2 m -
HA 3060/5 mm Threshold sealing, silicone blackCode: SB00016474Art. Nr.: EAN285137Price:From €2.23In Stock: 108.2 m -
TD 12-1 Threshold sealing, blackCode: SB00016501Art. Nr.: EAN832171Price:From €1.13In Stock: 126.33 m -
TD 12-2 Threshold sealing, blackCode: SB00016502Art. Nr.: EAN832195Price:From €1.60In Stock: 144.5 m -
TD 12-3 Threshold sealing, blackCode: SB00016503Art. Nr.: EAN832218Price:From €2.06In Stock: 95 m -
TD 12-4 Threshold sealing, blackCode: SB00016504Art. Nr.: EAN832232Price:From €2.48In Stock: 95.2 m -
TD 12-5 Threshold sealing, blackCode: SB00016505Art. Nr.: EAN832256Price:From €2.17In Stock: 102.7 m -
Anti-moisture foil for threshold 250 mmCode: SB00016410Art. Nr.: EAN725756Price:From €12.71In Stock: 38.9 m -
P 47-50 K Plastic adapter profileCode: SB00016356Art. Nr.: EAN557494Price:From €11.30In Stock: 21.8 m -
DL 50 Transom cover, EV1Code: SB00016240Art. Nr.: EAN101864Price:From €15.35In Stock: 0 m -
EA-20 Pivoting anchor for Weser thresholdCode: SB00016391Art. Nr.: EAN706984Price:From €1.74In Stock: 59 pc. -
SH 60 Threshold support for threshold models 108/32 TI; 95/32 TI; 73/32 TI; 102/32 TI; 90/32 TI; 67/32 TICode: SB00016524Art. Nr.: 883067Price:From €9.45In Stock: 5 pc. -
SH 50 Threshold support for threshold models 96/32 TI;84/32 TI; 61/32 TI; 86/32 TI; 74/32 TI; 51/32 TICode: SB00016534Art. Nr.: 902997Price:From €7.02In Stock: 0 pc. -
P 631 weather bar EV1Code: SB00016236Art. Nr.: EAN050834Price:From €5.49In Stock: 32.7 m -
Cap 631 for weather bar, left, blackCode: SB00016506Art. Nr.: EAN832348Price:From €0.72In Stock: 108 pc. -
Cap 631 for weather bar, right, blackCode: SB00016507Art. Nr.: EAN832379Price:From €0.72In Stock: 108 pc.
| Manufacturer | GUTMANN |
|---|---|
| threshold type | 67/32 TI |
| threshold adaptor rubber | TD 20/46 (102;90;67) |
| shelf size | 41-46 mm |
| material | aluminum EV1 / black plastic |



























































