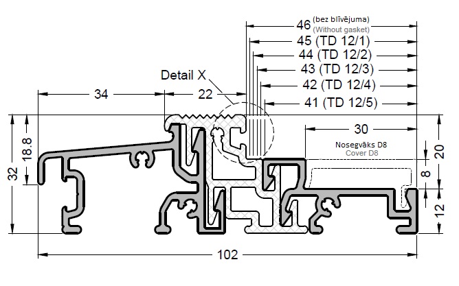
Weser 102/32 threshold for exterior and balcony doors
Product code
ZERO-88
WESER 102/32 TI threshold for both exterior and balcony doors
Manufacturer - GUTMANN (Germany)- efficient, economical and practical solution for high-quality exterior and balcony doors
- special threshold construction with isothermal run considerably improves building thermal efficiency
- minimum formation of condensation indoors
Advantages
- suitable for both renovated and new buildings
- wide range of functional use options
- conforms with building requirements according to DIN 18025 barrier-free systems
- thermal profile does not contain PVC and considerably improves building thermal efficiency
- optional thermal insulation floor connector with insulation profile P47-50 K
- rebate width: 41-46 mm
- aluminium cap, finish: anodised EV1 or black plastic
- suitable also for doors opening outwards
Threshold set
1. Threshold profile

2. Gasket
![]() |
![]() |
![]() |
![]() |
![]() |
![]() |
| TD 12/1 EPDM, black |
TD 12/2 EPDM, black |
TD 12/3 EPDM, black |
TD 12/4 EPDM, black |
TD 12/5 EPDM, black |
HA 3060/5 EPDM, black |
3. Filler piece
![]() |
| TD 20/46 (102; 90; 67) EPDM, black |
4. Cap
![]() |
![]() |
| D8, aluminium EV1 |
D8-ABS, black plastic |
5. Additional components
![]() |
![]() |
![]() |
![]() |
| Waterproofing tape 250 mm |
Insulation profile P 47-50 K PVC Regenerat |
Auxiliary profile DL 50 aluminium EV1 |
Pivoting anchor EA-20 galvanised steel |
![]() |
![]() |
![]() |
![]() ![]() |
| Threshold support SH 50 suitable for threshold models: Weser 86/32 TI; Weser 74/32 TI; Weser-A 51/32 TI; Weser 96/32 TI; Weser 84/32 TI; Weser-A 61/32 TI bright aluminium |
Threshold support SH 60 suitable for threshold models: Weser 102/32 TI; Weser 90/32 TI; Weser-A 67/32 TI; Weser 108/32 TI; Weser 95/32 TI; Weser-A 73/32 TI; Weser 114/32 TI bright aluminium |
P 631 drip bar aluminium EV1 |
Cap for drip bar 631 right + left, black |
All prices include VAT
- Products
- Price
- In Stock
- Quantity
-
GK ZERO 88 slieksnis, alumīnijs anodēts EV1Code: SB00016273Art. Nr.: 299462Price:From €35.56In Stock: 23 m -
D8/55 cover profile for ZERO threshold, anodized aluminum EV1Code: SB00016274Art. Nr.: 299530Price:From €14.67In Stock: 2.5 m -
780082 sealing for threshold ZEROCode: SB00016451Art. Nr.: EAN399407Price:From €4.29In Stock: 19.1 m
Additional products
- Products
- Price
- In Stock
- Quantity
-
TD 8/30-20 sealing for threshold ZERO, blackCode: SB00016264Art. Nr.: 252306Price:From €15.03In Stock: 33.4 m -
SH 60-1 fastener for threshold ZEROCode: SB00016266Art. Nr.: 262886Price:From €18.96In Stock: 2 pc.
| Manufacturer | GUTMANN |
|---|---|
| purpose | for exterior doors in new developments and in renovated buildings |
| fastening type | covered |
| opening direction | inwards / outwards |
| water resistance | 300 Pa |
| wood width | 88 mm |
| environmental accessibility | complies with DIN 18040-1/2 construction practices for environmental accessibility |
| leaf material | wood / wood+ALU |
| material | aluminum EV1 / black plastic |































